;

Para n resistores em série, temos a somatória:
Para resistores iguais, temos:
Em que “n” indica o número de resistores iguais.

Para n resistores em paralelo, temos a somatória.
Para resistores iguais, temos:
Em que “n” indica o número de resistores iguais
Para 2 resistores, temos:
Os medidores devem ser ideais, de modo que não interfiram nas medidas.
Mede corrente elétrica e para o funcionamento correto, ele deve estar associado em série.

Mede diferença de potencial e para o funcionamento correto, ele deve estar associado em paralelo.

Mede corrente elétrica de baixa intensidade e deve estar associado em série.



(FGV) Em um dos circuitos elétricos de uma casa, estão ligados uma torneira e um chuveiro elétricos. Os valores nominais de tensão e potência desses aparelhos são: torneira (220 V, 3300 W), chuveiro (220 V, 4400 W). Com os aparelhos instalados em uma rede, de forma a funcionarem com sua tensão nominal, o disjuntor mais adequado para proteger esse circuito deve suportar uma corrente máxima igual a
(ITA) Uma bateria composta por 50 células voltaicas em série é carregada por uma fonte de corrente contínua ideal de 220v. Cada célula tem uma força eletromotriz de 2,30v e resistência interna de 0,100Ω. Sendo a corrente de carregamento de 6,00A indique o valor da resistência extra que deve ser inserida em série com a fonte.
(ACAFE SC) Sejam dois resistores ôhmicos R\(_{x}\) e R\(_{y}\) associados em paralelo e ligados a uma bateria ideal de 12V. A figura abaixo mostra as curvas que caracterizam esses resistores.

A intensidade de corrente elétrica em ampères, fornecida pelo gerador ao circuito, é:
(FPS PE) Do ponto de vista elétrico, uma pessoa pode ser considerada, de maneira aproximada, como tendo uma resistência elétrica de 500 Ω em cada membro do corpo, e uma resistência de 250 Ω no tronco, como indicado na figura a seguir. Caso uma pessoa desavisada toque diretamente, com uma mão, no condutor fase da rede elétrica (220 V), ela poderá sofrer um choque. Nesta situação, calcule a corrente elétrica eficaz, em mA (onde 1 mA = 10\(^{–3}\) A), que circula pelo tronco da pessoa. Considere que a pessoa está de pé sobre as duas pernas separadas e que seja desprezível a resistência elétrica entre os pés e o piso.

(PUC RS) Na figura abaixo, estão representadas quatro lâmpadas idênticas associadas por fios condutores ideais a uma bateria ideal B. Uma chave interruptora C e três amperímetros ideais também fazem parte do circuito. Na figura, a chave interruptora está inicialmente fechada, e os amperímetros A₁, A₂ e A₃ medem intensidades de correntes elétricas, respectivamente, iguais a i₁, i₂ e i₃.

Quando a chave interruptora C é aberta, as leituras indicadas por A₁, A₂ e A₃ passam a ser, respectivamente,
(UFPR) Quatro resistores, cada um deles com valor R, estão conectados por meio de fios condutores ideais, segundo o circuito representado na figura abaixo. O circuito é alimentado por um gerador ideal que fornece uma tensão elétrica constante. Inicialmente, o circuito foi analisado segundo a situação 1 e, posteriormente, os pontos A e B foram interligados por meio de um fio condutor, de acordo com a situação 2.
Com base nessas informações, identifique como verdadeiras (V) ou falsas (F) as seguintes afirmativas:
( ) A intensidade de corrente elétrica no gerador é a mesma para as duas situações representadas.
( ) Ao se conectar o fio condutor entre os pontos A e B, a resistência elétrica do circuito diminui.
( ) Na situação 2, a intensidade de corrente elétrica no gerador aumentará, em relação à situação 1.
( ) A diferença de potencial elétrico entre os pontos A e B, na situação 1, é maior que zero.
Assinale a alternativa que apresenta a sequência correta, de cima para baixo.
UFRR) Numa prática de laboratório, um aluno montou um circuito conforme o arranjo abaixo. Depois da montagem e sabendo que a diferença de potencial entre os pontos A e B vale 12V, qual a corrente total que entra no circuito pelo ponto A e sai pelo ponto B do circuito, calculada pelo aluno?

TEXTO: 1 - Comum à questão: 8
A usina hidrelétrica de Itaipu, empresa binacional, localizada na fronteira do Brasil com o Paraguai, tem uma potência instalada de 14 000 MW, suficiente para abastecer com energia elétrica grande parte das regiões Sul e Sudeste do nosso país e também de todo o Paraguai. São 20 turbinas que vertem cerca de 700 m³ de água por segundo de uma altura de 196 m. Os cabos, por onde flui a corrente elétrica contínua, têm secção transversal com diâmetro médio de 80 mm e são feitos de uma liga metálica de resistividade da ordem de 3,0 . 10\(^{-8}\) Ωm, o que resulta em um bom condutor de eletricidade.
(Portal Brasil. 08.01.2016)
Considere o valor da densidade da água 103 kg/m³ e a aceleração da gravidade igual a 10 m/s².
(IBMEC SP Insper) A corrente é contínua porque
(ACAFE SC) Em uma atividade experimental um estudante dispõe de um voltímetro V e um amperímetro A. Uma lâmpada de potência desconhecida é ligada a uma fonte de tensão, estabelecendo um circuito acrescido de tais medidores.
A alternativa correta que mostra a conexão de circuito que permite achar o valor da potência dessa lâmpada é:
(FPS PE) No circuito mostrado na figura abaixo, um amperímetro ideal (A) foi ligado na saída da fonte de tensão ideal de 9V. Considerando os resistores ligados ao circuito, a leitura da corrente no amperímetro foi de aproximadamente:

(FM RJ) Numa instalação elétrica de um escritório, são colocadas 3 lâmpadas idênticas em paralelo conectadas a uma fonte de tensão.

Se uma das lâmpadas queimar, o que acontecerá com a corrente nas outras lâmpadas?
(FUVEST) Um chuveiro elétrico que funciona em 220v possui uma chave que comuta entre as posições “verão” e “inverno”. Na posição “verão”, a sua resistência elétrica tem o valor 22Ω enquanto na posição “inverno” é 11Ω Considerando que na posição “verão” o aumento de temperatura da água, pelo chuveiro, é 5°C, para o mesmo fluxo de água, a variação de temperatura, na posição “inverno”, em °C é
(FAMEMA SP) Um garoto desenvolveu, para a feira de ciências de sua escola, um projeto que chamou de “A casa elétrica”. Para isso, utilizou resistores ôhmicos e fios metálicos de resistência desprezível, representados em vermelho na figura. Para dar a forma que queria à casa, também utilizou materiais isolantes, representados em azul. Todos os elementos da casa estão contidos em um mesmo plano.

Pode-se afirmar corretamente que a resistência equivalente entre os pontos A e B da figura, em ohms, é igual a
(FAMERP SP) Em uma atividade experimental, um estudante é desafiado a descobrir a resistência elétrica ôhmica do conteúdo de uma caixa que esconde componentes do circuito elétrico representado na figura. Além do conteúdo da caixa, o circuito é constituído por dois resistores ôhmicos, um gerador ideal, um amperímetro ideal e fios de resistência desprezível.

O estudante observa que, quando o circuito está em funcionamento, o amperímetro indica 2 A. Considerando essas informações, a resistência equivalente dos resistores associados dentro da caixa é igual a
(UEM PR) Uma lâmpada de filamento, de resistência elétrica de 3,0 Ω, é conectada a uma bateria de força eletromotriz 18,0 V e resistência interna desprezível. Assinale a(s) alternativa(s) correta(s).
(UFGD) O circuito da figura a seguir representa uma associação mista de resistores, na qual R₁=R₂=R₃=R₄=R e R₅=r, conectada a uma diferença de potencial V.

A partir dessa associação, é correto afirmar que a resistência equivalente total do circuito (R\(_{eq}\)) e a diferença de potencial entre os terminais do resistor R₅ valem, respectivamente:
(UniRV GO) O circuito elétrico a seguir é alimentado nos pontos A e B por uma bateria de 12 V. Considerando o circuito, assinale V (verdadeiro) ou F (falso) para as afirmações abaixo:

(UNIUBE MG) A figura abaixo mostra um circuito com associação de resistores submetido a uma ddp de 72V. Nesse circuito existem os fusíveis f₁, f₂ e f₃. Sabe-se que os valores máximos de corrente suportados por esses resistores são, respectivamente, 5A, 10A e 5A. Suponha que a tensão de 72V seja aplicada à associação e mantida enquanto houver possibilidade de circulação de corrente no circuito, ou seja, caso um dos fusíveis se queime, a ddp do circuito continua existindo e ocorre redistribuição das correntes nos resistores.

Com relação ao funcionamento do circuito, é possível afirmar que se queimará (ão):
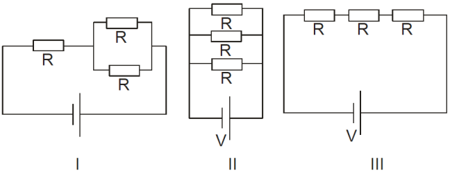
(IFSC) Na figura abaixo, são apresentados três circuitos com resistores de 1,0 cada e bateria de 3,0 V. Com base nos seus conhecimentos sobre associação de resistores, assinale a proposição CORRETA.

(MACKENZIE SP)

A ponte de fio mostrada acima é constituída por uma bateria, um galvanômetro G, dois resistores, um de resistência elétrica R₁ = 10,0 Ω e outro de resistência elétrica R₂ = 40,0 Ω, um fio condutor homogêneo de resistividade r, área de secção transversal A e comprimento L = 100,0 cm e um cursor C que desliza sobre o fio condutor. Quando o cursor é colocado de modo a dividir o fio condutor em dois trechos de comprimentos L₁ e L₂ a corrente elétrica no galvanômetro é nula.
Os comprimentos L₁ e L₂ valem, respectivamente,
(UEPG PR) Sobre o circuito elétrico abaixo, assinale o que for correto.
Considere: R₁ = 2Ω; R₂ = 8Ω; R₃ = R₄ = R₅ = 6Ω; R₆ = R₇ = 12Ω e i = 0,5 A.
(UERN) A resistência R na associação de resistores a seguir é igual a

(UNESP) O poraquê é um peixe elétrico que vive nas águas amazônicas. Ele é capaz de produzir descargas elétricas elevadas pela ação de células musculares chamadas eletrócitos. Cada eletrócito pode gerar uma diferença de potencial de cerca de 0,14 V. Um poraquê adulto possui milhares dessas células dispostas em série que podem, por exemplo, ativar-se quando o peixe se encontra em perigo ou deseja atacar uma presa.

A corrente elétrica que atravessa o corpo de um ser humano pode causar diferentes danos biológicos, dependendo de sua intensidade e da região que ela atinge. A tabela indica alguns desses danos em função da intensidade da corrente elétrica.
Considere um poraquê que, com cerca de 8 000 eletrócitos, produza uma descarga elétrica sobre o corpo de uma pessoa. Sabendo que a resistência elétrica da região atingida pela descarga é de 6 000, de acordo com a tabela, após o choque essa pessoa sofreria
(IFPE) O circuito elétrico representado no diagrama abaixo contém um gerador ideal de 12 Volts alimentando quatro resistores.

Qual o valor da leitura, expressa em amperes, do amperímetro conectado ao circuito elétrico representado?
(ESCS DF)

A figura acima ilustra uma ponte de Wheatstone, um circuito elétrico que permite a medição do valor de uma resistência desconhecida. O circuito é composto por uma fonte de tensão V, um galvanômetro G e uma rede de quatro resistores, sendo três destes conhecidos e ajustáveis. Para determinar a resistência do resistor desconhecido, os outros três são ajustados e balanceados até que a corrente elétrica medida no galvanômetro — I\(_G\) — seja nula.
Considerando essas informações, assinale a opção correta.
(UEPG PR) Na figura abaixo, apresenta-se um circuito elétrico composto por três lâmpadas idênticas, uma fonte de força eletromotriz e uma chave. Quando a chave é fechada, uma corrente elétrica é estabelecida no circuito. Sobre essa situação, assinale o que for correto.

(UFSC) LED, do inglês Light Emitting Diode, ou seja, diodo emissor de luz, é um componente eletrônico, um semicondutor que ao ser percorrido por uma corrente elétrica emite luz em uma frequência que depende da dopagem. A grande vantagem do LED é o baixo consumo de energia e as pequenas dimensões. Na figura abaixo é apresentado, de forma esquemática, o circuito de uma lanterna de LED. Esta lanterna é composta por três pilhas em série, de 1,5 V cada, e por seis LEDs idênticos. A lanterna funciona da seguinte forma: ao acioná-la pela primeira vez, a chave 1 é ligada; ao acioná-la pela segunda vez, a chave 2 é ligada; ao acioná-la pela terceira vez, as duas chaves são desligadas. Os LEDs em questão possuem uma resistência desprezível. A única limitação técnica para o funcionamento de um LED é a corrente elétrica que o percorre. Vamos admitir que, para que um LED funcione perfeitamente, a corrente elétrica que o percorre deva ser de 20,0 mA. Para garantir isso, um resistor de resistência R é associado ao LED.

Com base no exposto, assinale a(s) proposição(ões) CORRETA(S).
(UNIOESTE PR) A figura representa uma associação de resistores onde R₁ = 3,00 Ω R₂ = 4,00 Ω, R₃ = 10,0 Ω, R₄ = 5,00 Ω e R₅ = 6,00 Ω. Os terminais A e F são conectados aos polos de uma bateria de 12,0 V e após um tempo suficiente para atingir o estado estacionário, analise as afirmações e assinale a alternativa correta.
I. Os resistores R₁, R₂ e R₃ estão ligados em série.
II. A intensidade de corrente elétrica no resistor R₂ é 2,25 A.
III. Os resistores R₄ e R₅ estão ligados em paralelo.
IV. A diferença de potencial entre os pontos C e D é nula.
V. O resistor equivalente à associação é 5,33 Ω.
(FMABC SP) O valor de R, para que o resistor equivalente da associação seja 10Ω deve ser

(UEPG PR) Considere duas lâmpadas de filamento idênticas, com resistência R e potência P. A figura abaixo representa duas possíveis associações para as lâmpadas, uma associação em série e outra em paralelo, ambas alimentadas por baterias cujas fem’s são iguais e valem ε. Com relação aos circuitos elétricos formados pelas lâmpadas e a bateria, assinale o que for correto.

Você chegou ao fim dessa aula com sucesso!
Selecione o botão avançar para seguir para a próxima aula.